作者 | 魏云飞
在综合带通滤波器时,为了改善带外抑制,可以通过增加传输零点来实现。那么在fd3d中怎么加传输零点?首先在fd3d中有如下几种传输零点可以用:normal transmission zero,fixed transmission zero,symmetric transmission zero pair,complex transmission zero pair,complex symmetric transmission zero pair,complex symmetric transmission zero quadruple。下面说明如何添加传输零点。
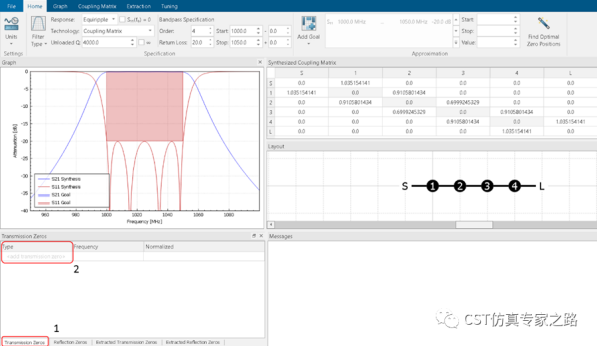
如上图,在fd3d凯发网站主页面的左下角,点击“transmission zeros”,接着会看到transmission zeros对话框出现,在“type”下面点击“add transmission zeros”,则会出现如下图所示,选择添加的传输零点类型。比如这里添加一个“normal”传输零点,选择“normal”,打开normal传输零点设置窗口,这里可以输入零点位置及相应的值。
可以对添加的传输零点的频率值和normalized值进行微调,如右上图在1070mhz处加了一个“normal”零点,双击频率值,如下图可以微调频率的值。点击鼠标右键,可以删除已经添加的零点。
(内容、图片来源:cst仿真专家之路公众号,侵删)
凯发网站的版权与免责声明:
凡未注明作者、来源的内容均为转载稿,如出现凯发网站的版权问题,请及时联系凯发网站处理。我们对页面中展示内容的真实性、准确性和合法性均不承担任何法律责任。如内容信息对您产生影响,请及时联系凯发网站修改或删除。
2025-12-05
[行业资讯] simulia简介-abaqus代理经销商思茂信息
2025-12-05
[行业资讯] 如何合理选购abaqus软件并获取报价?达索代理商思茂信息
2025-12-05
[行业资讯] 思茂信息亮相2025省博士创新站活动 共探产学研新路径
2025-12-02
[cst] cst软件探索eft虚拟测试:从iec标准到3d仿真实战
2025-12-01
[abaqus] abaqus中理想弹塑性模型和弹塑性硬化模型区别
2025-11-28
2025-11-28
2025-11-28
[abaqus] 上课啦!达索系统 simulia abaqus pcb仿真
2025-11-26
[cst] 无参优化器:利用cst和tosca进行拓扑优化之单极天线(
2025-11-26
2023-08-29
2023-08-24
[abaqus] abaqus如何建模?abaqus有限元分析教程
2023-07-07
[abaqus] 有限元分析软件abaqus单位在哪设置?【操作教程】
2023-09-05
[abaqus] abaqus软件中interaction功能模块中的绑定接
2023-07-19
[abaqus] abaqus怎么撤回上一步操作?abauqs教程
2024-05-01
[abaqus] abaqus里面s11、s12和u1、u2是什么意思?s和
2023-08-30
[abaqus] abaqus单位对应关系及参数介绍-abaqus软件
2023-11-20
[abaqus] abaqus软件教程|场变量输出历史变量输出
2023-07-18
[abaqus] abaqus中的s、u、v、e、cf分别是什么意思?
2024-05-11
[行业资讯] simulia简介-abaqus代理经销商思茂信息
2025-12-05
2025-12-05
[行业资讯] 如何合理选购abaqus软件并获取报价?达索代理商思茂信息
2025-12-05
[行业资讯] 思茂信息亮相2025省博士创新站活动 共探产学研新路径
2025-12-02
[行业资讯] 正版abaqus全国代理商:思茂信息——达索授权认证
2025-11-25
[行业资讯] 怎么联系cst studio suite代理商?达索sim
2025-11-25
2025-11-24
[行业资讯] 广东有限元分析软件abaqus采购指南-认准达索授权思茂信
2025-11-21
[行业资讯] 达索abaqus、cst代理商采购流程-指定授权代理商思茂
2025-11-21
[行业资讯] 广东2025半导体及零部件学会发展论坛落幕,广州思茂信息获
2025-11-20
地址: 广州市天河区天河北路663号广东省机械研究所8栋9层 电话:020-38921052 传真:020-38921345 邮箱:thinks@think-s.com
凯发k8官方网娱乐官方 copyright © 2010-2023 广州思茂信息科技有限公司 all rights reserved. 粤icp备11003060号-2